Ford 289, 302, 351 A/T and 4 & 5 Speed M/T
Unique Aluminum Housing helps to eliminate hot start problems
Sealed with Rubber O-Rings and Grommets
Easily Replaceable Plunger and Contacts
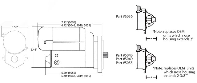
Adjustable for Header & Oil Pan clearance 18 adjustment positions
Specifications
Type of Unit: Nippondenso Gear Reduction
Estimated Horsepower: 1.9 HP
Reduction Ratio: 4:1
Weight: 10 Lbs.
Pinion Gear: 11 tooth
*Note Replaces 2 or 3 hole mount starters
SKU: 5055
Category: Ford Protorque





